AR-YCBP
Доступен для скачивания
краткий каталог продукции:
Соленоидный (поршневой) насос электромагнитный AR-YCBP предназначен для перекачки воды.
Соленоидные (поршневые) насосы могут использоваться в устройствах для чистки и глажки водяным паром, парогенераторах, генераторах сценического дыма, поломоечных машинах. Работа насоса «всухую» допускается только в процессе заливки.
Особенности:
Модификации:
* При нулевом давлении.
Версия: 2022-12-01-ЛВС
Соленоидные (поршневые) насосы могут использоваться в устройствах для чистки и глажки водяным паром, парогенераторах, генераторах сценического дыма, поломоечных машинах. Работа насоса «всухую» допускается только в процессе заливки.
Особенности:
- Компактный размер
- Ламели для подключения в комплекте
| Параметр
| Значение
|
| Рабочая среда | Вода |
| Материал | Корпуса: нейлон
Уплотнения: VITON |
| Температура эксплуатации
| +10…+35°С
|
| Оптимальная температура воды
| +25°С |
| Максимальное рабочее давление | 0,25...2 МПа |
| Присоединение | Вход – ∅ 6 мм,
выход – G⅛" и штуцер ∅ 14 мм |
| Питание, частота, мощность | ~220 В, 50 Гц, 33 Вт |
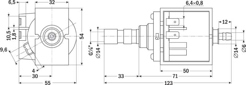
| Габаритные размеры
| 54×123×55 мм
|
Модификации:
| Модель | Расход, см³/мин.* | Pmax, МПа | Шум, дБА,
20 см | Номинальная мощность, Вт | ΔТ, °С ≤
| Режим работы | Вес, г
|
| AR-YCBP-13150
| 650
| 1,5
| 65
| 60 | 115
| 2 мин «ВКЛ»,
1 мин «ВЫКЛ» | 427
|
| AR-YCBP-09200
| 450
| 2,0
| 63
| 431
| |||
| AR-YCBP-24035
| 1100
| 0,25
| 422
|
| Габаритные размеры
|
|
| Документ | Дата обновления |
| Паспорт на AR-YCBP | 11.10.2022 |