ARP-ERV
Доступен для скачивания
краткий каталог продукции:

Регулятор давления ARP-ERV предназначен для установки давления сжатого воздуха и поддержания его на заданном уровне с высокой точностью
Особенности:
- Может устанавливаться отдельно или в качестве модуля блока подготовки воздуха
- Высокая точность поддержания заданного давления
- Четырехразрядный ЖК-дисплей с высотой символов 6 мм
- Порты входа и выхода оснащены фильтрами грубой очистки
- Низкое энергопотребление
- В комплект входит кронштейн (2 типа на выбор) для крепления прибора на горизонтальную или вертикальную поверхность
- Для перехода на другие размеры резьбы используются футорки, например, VTr.581.N
Регулятор давления является следящей системой, состоящей из пневмомеханической части, контроллера и датчика давления.
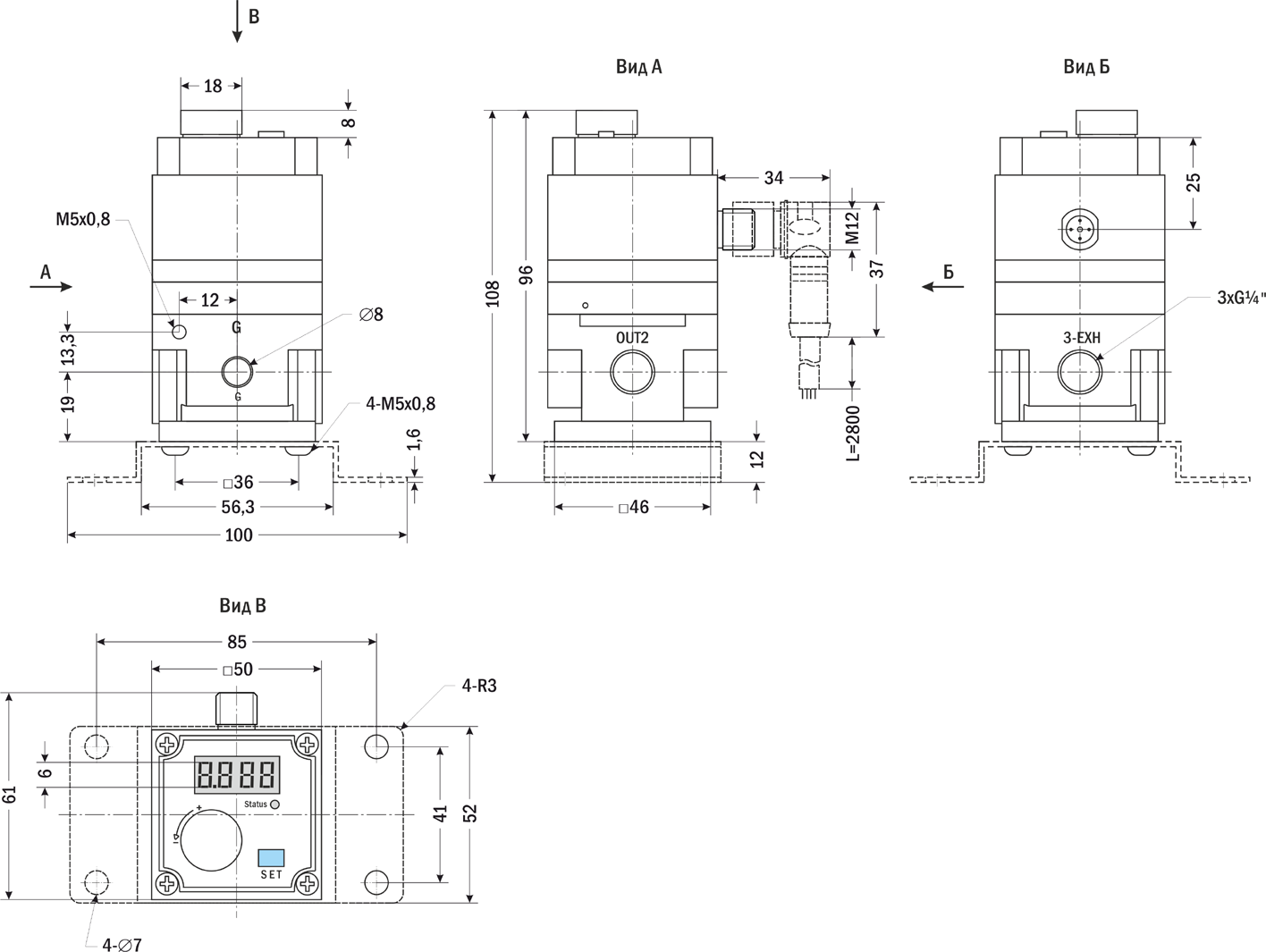
Силовая пневмомеханическая часть регулятора имеет три пронумерованных на корпусе отверстия (порта): 1 – подача сжатого воздуха, 2 – канал выхода воздуха в полость с регулируемым давлением, 3 – канал сброса избытка воздуха из регулируемой полости в атмосферу.
ЖК-дисплей служит для отображения текущего давления, а также для контроля ввода параметров при его настройке
Силовая пневмомеханическая часть регулятора имеет три пронумерованных на корпусе отверстия (порта): 1 – подача сжатого воздуха, 2 – канал выхода воздуха в полость с регулируемым давлением, 3 – канал сброса избытка воздуха из регулируемой полости в атмосферу.
ЖК-дисплей служит для отображения текущего давления, а также для контроля ввода параметров при его настройке

Технические характеристики:
Параметр | Значение |
Рабочая среда
| Сжатый очищенный воздух
|
Мин. давление подаваемого воздуха
| Выходное давление + 0,1 МПа
|
Макс. давление подаваемого воздуха
| 1,0 МПа
|
Диапазон выходного давления
| 0,0...0,9 МПа
|
Расход воздуха
| 0,0...1000 л/мин
|
Присоединение
| G1/4"
|
Питание
- напряжение - ток |
=12...24 В =0,12 А |
Температура окружающей среды
| 0...+50°С
|
Высота символов
| 6 мм
|
Степень пылевлагозащиты
| IP65
|
Габаритные размеры
| 96×50×61 мм
|
Длина кабеля
| 2,8 м
|
Вес (без кабеля)
| 322 г
|
Габаритные размеры
|
![]() С кронштейном для крепления на вертикальную поверхность |
![]() С кронштейном для крепления на горизонтальную поверхность |
![]() Кронштейн для крепления на вертикальную поверхность |
![]() Кронштейн для крепления на горизонтальную поверхность |
Документ | Дата обновления |
Паспорт на ARP-ERV | 13.12.2023 |